Вести

Вести во индустријата

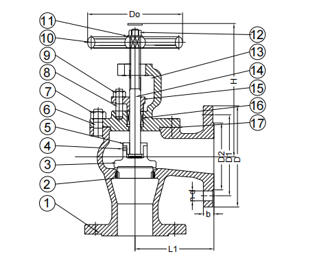
Значењето на цртежите на вентилите за набавка на вентили24 2025-10

Значењето на цртежите на вентилите за набавка на вентили

Ова е најдиректната и најважната функција на цртежите. Во цевководниот систем треба да се инсталираат вентили, а нивните димензии и интерфејси мора да бидат целосно компатибилни со постоечките цевки.
Разликите помеѓу алуминиумските бронзени вентили за пеперутка и вентилите за пеперутка од нерѓосувачки челик22 2025-10

Разликите помеѓу алуминиумските бронзени вентили за пеперутка и вентилите за пеперутка од нерѓосувачки челик

Алуминиумски бронзен вентил: Неговиот главен материјал е бакар, комбиниран со легури формирани со топење на алуминиум, железо и други елементи. Затоа, има еден вид рустикална месинг боја. Бидејќи содржи бакар, тој инхерентно поседува некои од својствата на бакарот, како што се отпорност на корозија и добра цврстина.
Што го прави контролниот вентил со еден диск идеален избор за модерни системи за контрола на протокот?17 2025-10

Што го прави контролниот вентил со еден диск идеален избор за модерни системи за контрола на протокот?

Во индустриските цевководи, одржувањето на конзистентна насока на течноста е од клучно значење за да се обезбеди безбедност и ефикасност. Тоа е местото каде што вентилот за проверка на еден диск игра витална улога. Дизајниран да го спречува автоматскиот проток, овој вентил користи единечен диск кој се отвора кога течноста тече во правилна насока и веднаш се затвора кога протокот ќе се врати назад. Овој едноставен, но ефикасен механизам го прави суштинска компонента во индустриите како што се третман на вода, нафта и гас, електрани и хемиска обработка.
Како вентилот за пеперутка на седиштата NBR обезбедува сигурна контрола на протокот во современите системи?13 2025-10

Како вентилот за пеперутка на седиштата NBR обезбедува сигурна контрола на протокот во современите системи?

Вентилот за пеперутка на седиштата NBR е витална компонента во системите за контрола на течности, позната по својата прецизност, издржливост и отпорност на хемиска корозија. Бидејќи индустриите продолжуваат да бараат ефикасност и сигурност, разбирајќи како функционира овој вентил, зошто е широко користен, а какви придобивки носи е од суштинско значење за инженери, добавувачи и крајни корисници.
Како да се поправи вентилот за концентрична пеперутка?11 2025-10

Како да се поправи вентилот за концентрична пеперутка?

Можни причини: абење или оштетување на површината за запечатување на седиштето на вентилот; стареење или оштетување на прстенот за запечатување на плочата за пеперутка; Нечистотии што ја блокираат површината за запечатување во рамките на гасоводот.
Зошто да изберете заменлива мека седиште за пеперутка за модерни индустриски системи?09 2025-10

Зошто да изберете заменлива мека седиште за пеперутка за модерни индустриски системи?

Во денешните системи за контрола на индустрискиот проток, изборот на вистинскиот вентил е клучен за перформанси, издржливост и економичност. Меѓу многуте достапни типови на вентили, заменливиот вентил за пеперутки со меки седишта стана најпосакувана опција за инженери и оператори на растенија кои ја ценат сигурноста и лесното одржување. Дизајниран со заменлива структура на меко седиште, овој вентил обезбедува супериорно запечатување, подолг животен век и удобна поправка или замена кога е потребно.
X
We use cookies to offer you a better browsing experience, analyze site traffic and personalize content. By using this site, you agree to our use of cookies. Privacy Policy
Reject Accept